Non-captive Linear Stepper Motor
NEMA11 non-captive linear stepper motors produced for a project but the project was cancelled, in stock for promotion and now you can buy them at a price nearly a standard stepper motor.
Linear stepper motors details are as following and if it's suitable for a project or builds you need, welcome your inquiry of bulk price, we have thousands of them in stock.
Note: we do Not accept any request on modification, in other words customized linear stepper motor, the price will be at least twice the price.
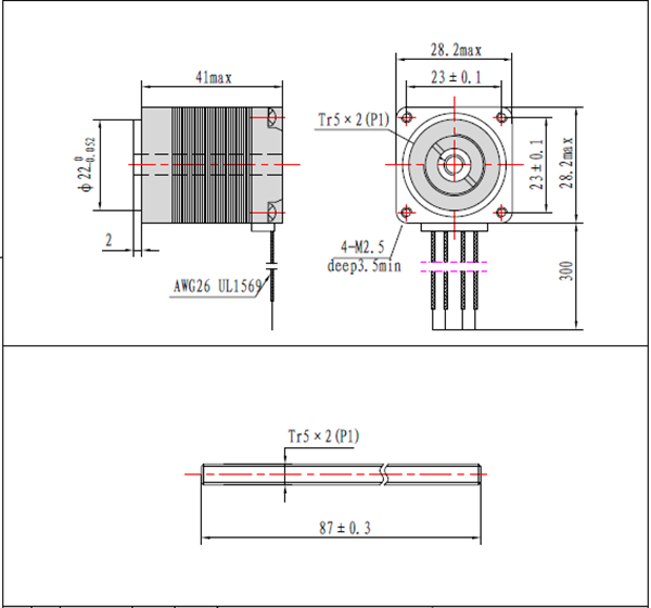
11HY0401-87T52
NEMA11 41mm length body, rated current 0.75A, holding torque 80mN.m, step 0.01mm
Phase resistance 7.5 Ohms +-10%, phase inductance 4.5mH+-20%

11HY3401-90T556
NEMA11 34mm length body, rated current 0.75A, holding torque 60mN.m, step 0.024384mm
Phase resistance 6.5 Ohms +-10%, phase inductance 3.2mH+-20%

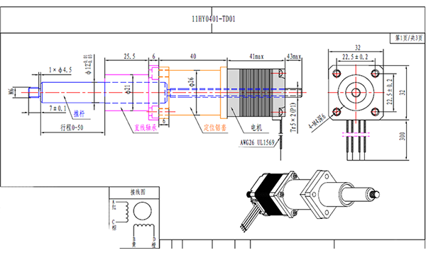
11HY0401-TD01
NEMA11 41mm length body, rated current 0.75A, holding torque 80mN.m, step 0.01mm
Phase resistance 7.5 Ohms +-10%, phase inductance 4.5mH+-20%
Linear bearing included but Not fixed, the difference between this Non-captive Linear Stepper Cylinder with the Captive Linear Stepper Motor is that the shaft can rotate during working. If you need it work like a normal cylinder, you need to consider the anti-rotation construction.
